What are the two different types of circuit?
Series and Parallel
In which direction is the circuit heading directly after the cell? 
Left
What is a complete series of changes at one point in the medium?
Cycle
Which points are considered "in phase" with each other?
C and F
What is the unit of measurement for electric power?
Watts
Rate at which a charge passes a given point in a circuit.
Current
Given three initial charges of -10C, +22C, and +3C. They all come into contact at the same time and then separate. What is the resulting charge of each sphere?
+5C
What is the time required for one cycle to occur.
Period
If the frequency of a sound wave is 2 cycles per second, what is the period of the wave?
0.5s
What is the unit of measurement for electric energy?
Joules
Property of a material that depends on the availability of charges that are relatively free to move under the influence of an electric field
Conductivity
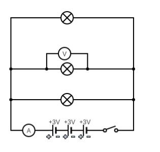
What is placed incorrectly on the given circuit and why? 
The switch because it should be placed at the beginning of the circuit.
What is the concept describing the change in the observed frequency of a wave when its source and observer are in relative motion?
Doppler Effect
If four cycles are 12m long, what is the wave length?
3m
What is the unit of measurement for an electric charge?
Coulamb
What are the 3 ways in which electrons can be transferred between atoms?
Friction, light, heat
A students measures a current of 0.30A through a lamp connect by short wires to a 12V source. What is the resistance of the lamp?
40 ohms R = V/I so 12/0.30
The motion of vibratory disturbance that is parallel to the direction of travel of the wave through the medium.
Longitudinal Wave
. If the frequency of a transverse wave is 10Hz and the wave length is 7, what is the velocity?
Frequency
A characteristic of a material that depends on its electronic structure and temperature.
Resistance
A potential difference of 10V exists between two points A and B within an electric field. What is the magnitude of the charge that requires 0.002 J of work to move from point A to B.?
2 x 10^-3 C or 0.002C
V=W/q
10 = 0.02/q
10q = 0.02
q=0.02/10
A single short disturbance that moves from one position to answer in a field or medium.
Pulse
How many nodes are in the diagram? 
4
What is the unit of measurement for an electric current?
Ampere