What is the greatest common factor of the two numbers? i.e. What number do they both share?
81:
56:
GCF: 1
The factors of 56 are: 1, 2, 4, 7, 8, 14, 28, 56
The factors of 81 are: 1, 3, 9, 27, 81
|
Determine the equation of the pattern:
Cookie # | Number of Chocolate Chips |
1 | 6 |
2 | 11 |
3 | 16 |
y=5x+1
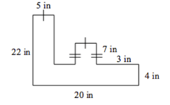
Calculate the perimeter:

P= 91 in
$12.25
$1.23
$22.74
$ 22.74
Find the Lowest Common Multiple of the following numbers:
3, 8
3, 6, 9, 12, 15, 18, 21, 24, 27, 30
8, 16, 24, 32, 40, 48, 56, 64, 72, 80
LCM: 24
0.05
0.5
50
0.05
There is a fixed cost of $50 to write and design an advertising flyer. It costs $0.15 to print each flyer.
Complete the following table of values:
# of flyers (n) | Cost (C) |
0 | |
10 | |
20 | |
30 | |
50 |
# of flyers (n) | Cost (C) |
0 | 50 |
10 | 51.50 |
20 | 53.00 |
30 | 54.50 |
50 | 56.00 |
Calculate the area:

A= 205 cm2
Solve for x in the equation:
-3x + 7 = 16
a)x = -3
b)x = 3
c)x = 9
a)x = -3
Complete the table:
Fraction | Decimal | Percent |
0.456 | ||
456/1000 = 57/125
0.456
45.6%
$14.32
$14.07
$13.70
$14.07
Calculate the ROC:
x | y | First Differences |
-1 | 5 | ------------------------------ |
0 | 3 | |
1 | 1 | |
2 | -1 |
x | y | First Differences |
-1 | 5 | ------------------------------ |
0 | 3 | -2 |
1 | 1 | -2 |
2 | -1 | -2 |
|
|
C= 50.3 cm
Fraction | Decimal | Percent |
2/5 |
Fraction | Decimal | Percent |
2/5 | 0.4 | 40% |
23 + 3(16 – 11)
38
What is 15 % of 1280?
0.15x1280= 192
Is the following relation linear or non-linear?
x | y | First Differences |
-1 | 5 | ------------------------------ |
0 | 3 | -2 |
1 | 1 | -2 |
2 | -1 | -2 |
Linear
Determine the volume of a beach ball with diameter of 16 cm.
V= 2143.57 cm3
The following is an equation to determine the cost of a cellphone bill each month.
Cost = $40+ (time in minutes – 400) x $0.25
What would be Derek’s cost for 800 minutes on this plan?
$140

5
$0.52/can
What is the equation of the following relation?
x | y | First Differences |
-1 | 5 | ------------------------------ |
0 | 3 | -2 |
1 | 1 | -2 |
2 | -1 | -2 |
y=-2x+3
Find the area:

A= 36.3 m2