This is the Corteva role that is equivalent to the "Independent Reviewer"
What is "Verifier"
This is why we perform One Plus?
What is "To prevent inadvertent operation of an isolation device"
This is the system used to document the Isolation that both the Isolator and the Verifier sign.
What is the RTM?
This is the year that the Patriots went undefeated to only lose to the NY Giants in the Superbowl
What is 2007?
This is the role that can attach, remove, or modify Facility LO/TO devices/tags
What is the "Isolator"
This is the one plus Shown

What is the Zip-tied valve
This person is allowed to RTO isolated equipment
What is an Authorized user?
This WR records the most receptions in a single season
Who is Michael Thomas, NO 2019
149 catches
These are the requirements to be an Authorized User.
PSM Certified
This is an acceptable One plus for a DO when used in isolation
What is disconnect the Air hose?
This person performs the Try/test during the field walk with the maintenance crew
Who is the permit issuer
DAILY DOUBLE:
Which player had the highest single scoring game in fantasy Football (Non-PPR)
Clinton Portis, RB | 55.4 Fantasy Points, Week 14 2003
He finished the game with 218 rushing yards, five rushing touchdowns, and 36 receiving yards.
This person manages the changes to the Isolation
What is the isolator?
This practice is considered a protection layer
What is One Plus
Double Jeopardy:
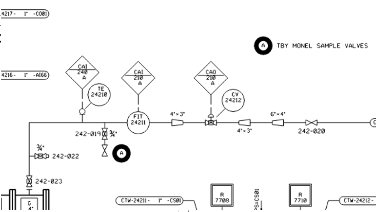
What valves should be used for Isolation of the FIT

This NFL RB also played for the KC Royals during the NFL season
Who is Bo Jackson
This role Validates the system is isolated and ready for work
What is the Verifier?
What One Plus can be applied to this valve in an isolation
What is zip-tied to a pole or handle removed
To isolate equipment an Authorized user must also have this
What is Operational Control?
This NFL kicker has made the most field goals
Who is Adam Vinatieri
599 FGs