What are the 3 W's on Dustins Wall?
Who?
What?
When?
Name 4 things IA needs to submit an Application to AEP?
SW Photo
Meter Photo
Module Serial #
Inverter Serial #
What two items are required to install for Sunnova Accounts?
Cell Modem and CT's.
What type of feet or attachments do we use on Asphalt Roof Installed Systems?
Unirac
How many digits is an ESID Number?
16
What is the current Rescission Period?
3 Days
Who do you tag for Design Revisions
Dustin O.
What type of system does Lone Star primarily install?
Enphase
If you have 6 arrays on an Install, how many Solar Decks do you need?
6
If you have the choice between more than one retail energy provider, what is this called?
Deregulated
How many Cancellation Stages does Lone Star have in its contract?
7
Who oversees service work and truck rolls?
Jaime G.
How do you calculate DC system size?
** BONUS QUESTION **
Module Wattage x Module Count
How do you calculate AC system size?
If we install on a metal roof, what can we not do?
Attic Run
Proper term of energy sent back to the grid?
Export
What angry lil' man comes to visit Dustin every month?
Andy Tran
What is the method of interconnect when a main breaker is NOT present?
Back Fed Breaker

What is this Wire Called?
Romex
What tracking system does the Company use in all company vehicles?
Geo Tab
When taking into consideration "Utility Approvals" before permits can be eligible to submit, what exactly is the utility approving?
I.E. Name the utility status.
Installation
(Follows Review/Record Verification)
What are invisible boundaries that restrict where panels can be placed?
Setbacks
Its MPU Day, Utility has reconnected the power, but the power to the home still remains off.
What does the homeowner or technician need to look for?
Main Breaker
What type of install takes place on a flat roof?
Ballast System
What would prevent Lone Star from being able to install an outlet for a Portable Generators?
No Main Service Breaker or No open Breaker Slots.
In Corpus Christi, Texas, what is required of the city in order to pull permits?
WPI
What is one way to calculate a customers annual usage without a utility bill?
Smart Meter Texas
If a permit is obtained for an install to take place, what is the step following installation complete?
City Inspection
If an 9kw LG Battery is installed, what solar system are we installing?
Solar Edge
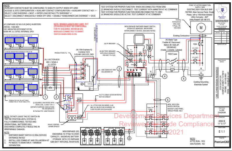
How Many Circuits on this Design?
4
**BONUS 600 POINTS**
What home improvement was added to this design?
When is a placard required by the Utility?
Disconnect 10+ Feet from Meter