Name #1
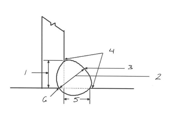
What is Weld Size, or "Leg"
What is Ferrous
High temperature crystal structure of carbon steel or the room temperature structure of chrome-nickel steel.
What is Austenite
Name #1

What is Core
What is #7

What is Arc
Name #2
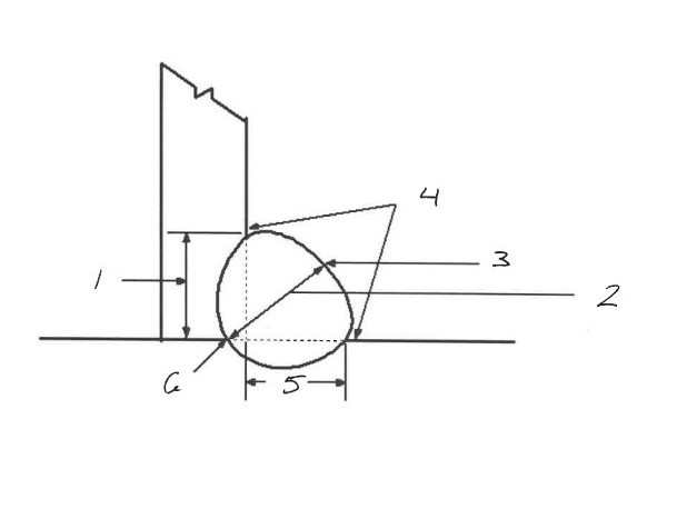
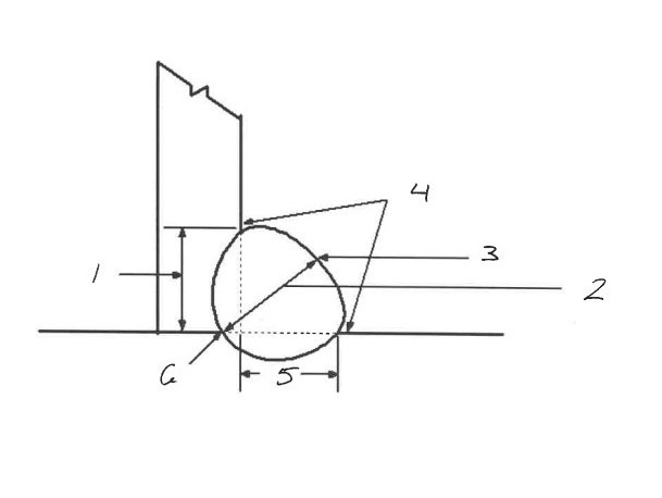
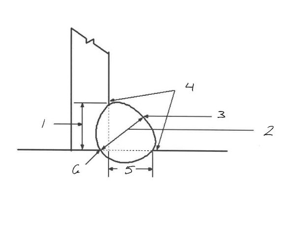
What is Throat
Containing NO iron. Examples: Aluminum, copper, copper alloys
What is Non-Ferrous
The science and technology of extracting metals from their ores, refining them, and preparing them for use.
What is metallurgy
Name #2

What is Flux
Name #8

What is Slag
Name #3
What is Face
Operation of quenching steels from the austenitic temperature range so as to produce martensite or a hard structure.
What is Heat treatment
An alloy of mostly iron with low content of alloying elements such as carbon and manganese.
What is mild steel
Name #3

What is Shielding Gas "Fume Plume"
Name #9

What is Weld
Name #4

What is Toe
A structure resulting from transformation of austenite at temperature considerably below the usual range, achieved by rapid cooling
What is martensite
Heat applied to the base metal after welding or cutting, for the purpose of tempering, stress-relieving, or annealing.
What is Post-heating
Name #4

What is Weld Puddle
The changes in the crystalline structure of metals caused by temperature and time.
What is Transformation
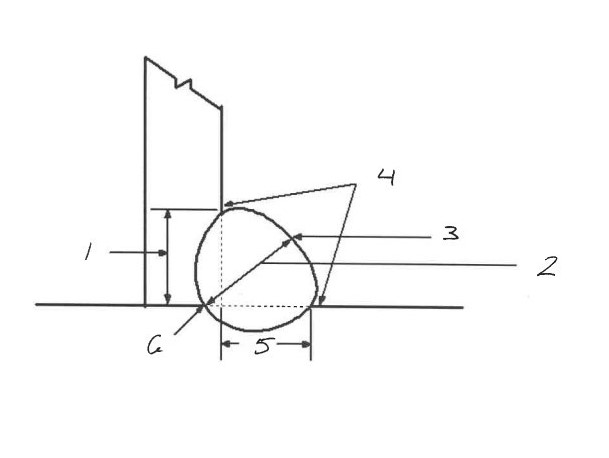
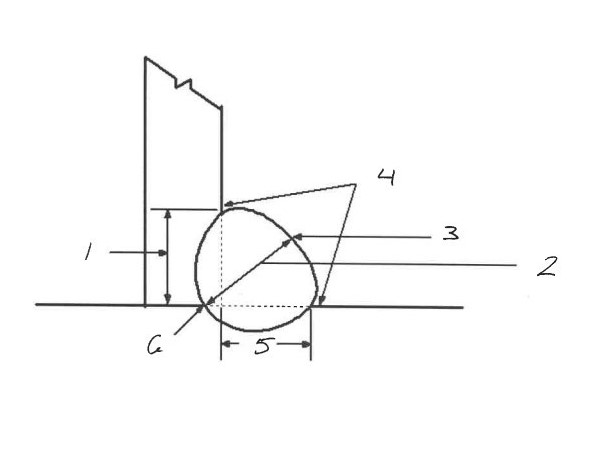
Name #5
What is Weld Size or Leg
Eutectoid alloy or iron and 85% carbon consisting of layers or plates or ferrite and cementite.
What is pearlite
The heating of the parts of a structure to be welded or before welding is started to minimize thermal shock and of slowing the cooling rate
What is Preheat
Name #5

What is Base Metal
What is Transformation Temperature
Name #6

What is root
Chemical compound of iron and carbon, containing 93.33% iron combined with 6.67% carbon by weight; also called iron carbide.
What is Cementite
The resistance of a material to a force which is acting to pull it apart
What is Tensile Strength
Name #6

What is depth of Penetration
The temperature at which the crystal structure of steel changes, usually in the range of 1500-1600 degrees F
Transition Temperature