The U.S.C. unit for the coefficient of friction is ____.
Dimensionless (no units)
A Reynold's number of 1500 suggests _____ flow.
Laminar
Label the direction of the current and the direction of the electron flow.

True or False: A cup of hot coffee has a temperature and thus more thermal energy compared to a parked semi-truck that hasn't been running for a full day.
False. The truck will have much more thermal energy because it has much more mass.
Which bobsled team will have the greatest velocity at the bottom of the hill, and which one will have the slowest velocity at the bottom of the hill? Assume friction on ice is negligible, and the mass between the teams are equal.

They all will have the same velocity at the bottom of the hill.
Describe what creates the Earth's Magnetosphere?
Large convection cycles in the liquid mantle beneath the Earth's crust that lead to large movement of charges. The movement of charges generates a magnetic field.
Why do astronauts in orbit feel "weightless" even though Earth's gravity is still pulling on them?
They’re in free fall, having reached "terminal velocity" that is tangential to the surface of the Earth. Or in other words, they are moving sideways fast enough to keep missing Earth as they are falling towards Earth.
What fundamental force(s) make up friction?
Electromagnetic forces
A football thrown at a certain velocity in the Denver Bronco's Stadium where the altitude is one mile above sea level experiences more/less/same drag force than the same football thrown at the same velocity in the Seattle Seahawk's Stadium? Explain why.
Less Drag Force, because the density of air is less.
The period of an alternating current source is T = 3.65 milliseconds. What is the frequency in Hz?
274 Hz
A space heater delivers 400 BTU of heat every 2 minutes. Its heat flow rate is _____ BTU/s?
3.33 BTU/s
When the speed of a moving car changes from 20 mph to 60 mph, the kinetic energy of the car will
A. Remain constant since the car does not change height.
B. Increase to three times its original value.
C. Increase to six times its original value.
D. Increase to nine times its original value.
D. Increase to nine times its original value
The Great Pyramid of Giza is a square pyramid with a base side length of 750 feet, and a height of 450 feet. What is the volume of the Great Pyramid of Giza in cubic feet?
84,375,000 ft^3
Why does aluminum foil feel colder than a wooden spoon even though they are at the same temperature?
Metal conducts heat away from your hand faster — conduction, not temperature, fools your senses.
Why does it take more force to get an object to start moving than it takes to keep the object moving along a surface?
At rest, the object experiences static friction, while in motion, the object experiences kinetic friction. The coefficient of static friction is higher than the coefficient of kinetic friction.
A passenger plane has a wingspan of 36m, which is also its characteristics length. If the plane takes-off from SeaTac Airport with a takeoff velocity of 80 m/s, is it experiencing laminar, transitional, or turbulent airflow? The density of air is 1.225 kg/m^3 and the dynamic viscosity of air is 0.0000181 Pa*s.
Turbulent Flow (Reynold's number = 1.95*10^8)
How much charge in Coulombs flows through a wire over a period of 10 seconds when a current of 3.5 A is present?
35 C
When you stand in front of a campfire on a cool night, you can feel your face getting warm. Describe what method(s) of heat transfer (conduction, convection, radiation) occurs in this situation?
Convection: Hot air is moving (expanding) into the cooler space immediately surround the fire.
Radiation: Some infrared radiation is traveling directly from the fire to your skin.
A hiker carrying a 12.0 kg backpack climbs a 60.0m hill. How much potential energy does the backpack gain at the top of the hill in units of Joules?
7,060 J
A cyclist is pedaling along a level road at 12 m/s. The fluid resistance between the cyclist and the air is 3.0 N*s/m. Assuming no wind, what is the drag force acting on the cyclist due to air resistance in units of Newtons?
Drag Force = 36 N
Name all the planets of our solar system ranked from furthest away from the sun to those closest to the sun.
Neptune, Uranus, Saturn, Jupiter, Mars, Earth, Venus, Mercury
A bowling ball weighs 5.00 kg and the coefficient of rolling friction between the bowling ball and the bowling lane is 0.005. How much rolling friction does the bowling ball experience in Newtons?
0.245 N
Using a garden hose to water plants, if one partially blocks the opening end of the garden hose to 1/3rd its original cross-sectional area, the volume flow rate will increase/decrease by a factor of ____? (Treat water as an incompressible fluid)
Volume Flow Rate does NOT change (however velocity of the water will increase by a factor of 3)
Given an 80.0 V DC source with a switch and four resistors in series: 4.00 Ohms, 6.00 Ohms, 16.0 Ohms, and 24.0 Ohms. Find the total current running through the circuit.
1.60 A
You've poured 250 g of steaming hot cocoa at 80 degrees Celsius into a metal cup. You forget about it for a while, and when you return, it is at 40 degrees Celsius. How much thermal energy was released into the air via heat loss? Specific Heat Capacity of the hot cocoa is 4.18 J/g*Celsius degree.
41,800 J of thermal energy lost
A 0.0025kg penny is dropped from the top of the Seattle Space Needle that is 184m high. Assuming no drag, what is the velocity of the penny right before it hits the ground?
60. m/s downwards
The spherical Earth has a moment of inertia of I= 9.7*10^37 kg*m^2. If the Earth makes one full rotation (2*pi radians) in a day, what is the rotational kinetic energy of Earth in units of Joules?
3.526*10^33 J
Name all countries that share a land border with Finland.
Norway, Sweden, Russia
A 1,200 kg car is parked on a hill that has an angle of incline of 15 degrees. The parking brake engages the rear tires, which have a static coefficient of friction of 0.65. Will the car stay parked, or will it slide down the hill? (Hint: Compare the downslope force to the static friction force)
Force of Static Friction = 7385 N @ 15 degrees
Downslope Force = 3043 N @ 195 degrees
The care will stay put!

v2 = 10 m/s
A 12.0 V DC source is connected to two light bulbs that are connected in parallel. If one of the light bulbs has a resistance of 10.0 Ohms, and the total current through the entire circuit is 2.00 A, what is the resistance of the second light bulb?
15.0 Ohms
It is 10 degrees Celsius inside your living room, but outside it is -5 degrees Celsius. Your single-pane window has an area A=1.2m^2 and a glass thickness of 0.006m. The thermal conductivity of glass kappa = 1.0 J/m*s*C degree. What is the heat flow rate through the glass window in Joules/second?
3,000 J/s flowing out
A 65.0 kg cart sits at the top of a hill. It coasts to the bottom of the hill that is 25.0 meters below. If 40.0% of the energy is lost due to friction, find the kinetic energy of the cart as it reaches the bottom of the hill.
Ek = 9560 J
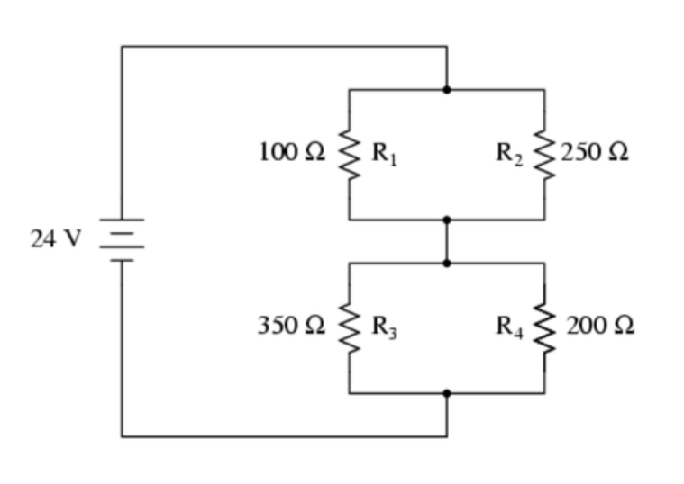
Find total resistance and total current of this circuit.
Total Resistance = 198.7 Ohms
Total Current = 0.12 A
What is Matti's spirit animal?
Camel