Convert 47 into a binary number
101111
In the tag Local:2:I.Data.3, the number 2 represents __________.
Slot
Upon loss of power where does the PLC retain the program?
Non-Volatile Memory
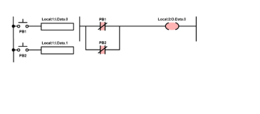
Define this circuit type:
MEMORY
__________ control of an electric motor only works for motors that draw a small current.
Direct Control
What base is the binary number based on?
(binary is based on what base?)
2
In the tag Local:2:I.Data.3, the number 3 represents what?
Bin Number
One of the advantages of a PLC is that it permits many instructions to be controlled by one __________.
Input
Define this circuit type: 
AND
A motor start requires only a very small current from the PLC to energize its coil, but its __________ can handle a very large current to the motor.
Contacts
The numbering system you use everyday to count money, keep score, add, subtract and multiply is known as the __________ system.
Decimal
Input instructions having output addresses can be used to perform memory functions by using __________.
Seal In Logic
One method of controlling multiple outputs at the same time is by placing each output on a separate rung and using multiple input instructions with the same __________.
TAG
Define this Circuit Type
NAND
Seal-in programs are commonly used to control the __________ of electric motors and is a building block of most other machine control programs.
Start/Stop
The base of a numbering system determines the total number of __________ used in that system.
Symbols
A(n) __________ is another name that references an existing tag.
Alias
If a N.O. pushbutton is connected to a normally closed contact, pressing the pushbuttion will cause the contact to turn __________.
FALSE
Define this Circuit Type
NOR
A normally __________ pushbutton is used with an XIC instruction to turn off a seal-in logic output.
Closed
The largest-valued symbol of the system is always one less than the __________
Base
One of the advantages of a PLC is that it permits many instructions to be controlled by one __________ and it does not matter how many of these are XIC or XIO.
INPUT
The outputs of a programmable controller can be used to control an output device directly or __________.
Indirectly
Define this Circuit Type
NOT
Multiple safety interlocks can be used in a program by placing input instructions in __________ with each other on a rung.
Series